汎用・三菱インバータ速度制御学習キット装置付き 実習用キット付 インバータ入門
(3572件)
Pontaパス特典
サンキュー配送
27225円(税込)
273ポイント(1%)
Pontaパス会員ならさらに+1%ポイント還元!
送料
(
)
3562
配送情報
お届け予定日:2026.04.17 6:6までにお届け
※一部地域・離島につきましては、表示のお届け予定日期間内にお届けできない場合があります。
ロットナンバー
5033495307
お買い物の前にチェック!
Pontaパス会員なら
ポイント+1%
ポイント+1%
商品説明



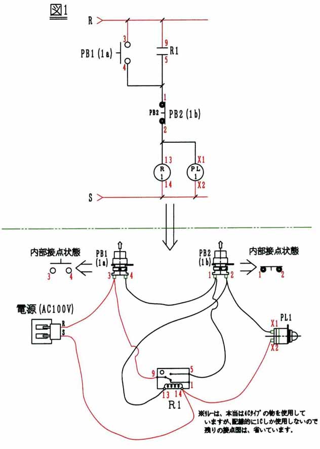
OMD SYSTEM.COM社製【三菱インバータ学習・マニュアル 学習キット装置付き】販売定価150000円の教材です。数回使用しましたが、仕事であまり必要無い為、ほとんど使用しないまま自宅保管してました。学習キット装置付きなので、マニュアルやDVDを見ながら実際に、インバータを操作しながらモーターの速度制御学習が可能です。三菱インバータFR-D700.E700シリーズ、お使いになりたい方やインバータ制御の基本を学びたい方に持ってこいです。「実務で、制御設計をしていたら必ず使う制御機器といったらモーターではないでしょうか!?標準のモーターを使って自由自在に回転速度制御したい方におすすめの教材です。回転速度が遅くなってもトルクを維持できる機能など、多彩な用途で使えます。
| カテゴリー: | 本・雑誌・漫画>>>本>>>語学・辞書・学習参考書 |
|---|---|
| 商品の状態: | 目立った傷や汚れなし","細かな使用感・傷・汚れはあるが、目立たない |
| 配送料の負担: | 送料込み(出品者負担) |
| 配送の方法: | 佐川急便/日本郵便 |
| 発送元の地域: | 大阪府 |
| 発送までの日数: | 2~3日で発送 |
レビュー
商品の評価:




4.4点(3572件)
- kitt0331
- 生後1ヶ月の子供への初めての絵本です。口コミを見て食いつきがいいとの事だったのでこちらを選びました。口コミ通り、紙面をしっかり目で追っています。また、素早い発送も助かりました。
- ねこっち1213
- 子供が何度も何度も読み返しており、気に入ったようだ。あたたたたたっ!
- *otoha*
- 子供の絵本ですが大人も読んでいて楽しい絵本です。
- uhi-ggg
- 歌いながら見せれる絵本。2ヶ月の息子に読んでいます(^ ^) 歌付だと母も楽しくなり、読み聞かせの1つに重宝してます😊
- babymickey2005
- 小2の姪へプレゼント。 このシリーズはお気に入りなので喜んでもらえました、
- 猫多七之助
- この本は、知る人ぞ知る主人公の名前をオーダーメイドできる世界に一冊の本。 私は、友人、知人の出産祝いに差し上げています。 何が喜ばれるか、他の人とかぶったらヤダナ〜 なんて悩む必要なし。 結構、珍しがられて、しかも喜ばれます。 ちなみに、ベースとなる話も数種類あるので、もし、かぶっても影響なし。 金額もプレゼントにはお手頃価格。 オススメです。
- snufkin-45
- 小2の姪へプレゼント。 このシリーズが大好きなので喜んでもらえました。
- べいたん1244
- 7歳になる息子へ。弟が生まれるのでプレゼント。兄弟を想像してとっても嬉しそうでした。 絵もとっても可愛いです。
- 生き字引300839
- この絵本、結構有名。愛子様も大好きとか!? ちょっとイタズラ好きの2歳〜3歳児に丁度良い本ですね。 キャー とか、アレレレ? とか言った声を子供と掛け合いながら、 そして、色々なサブ要素を見つけ合いながら、楽しいひと時を過ごせます。 絵や色彩もノーマルなので、大多数の子供達にウケが良い。 と、言う事は、プレゼントにも最適な本と言えます。
- pure吉0807
- インスタでよく紹介されていて、素敵な絵本だったので友人のお子さんへの誕生日プレゼントに購入しました。1歳の子はまだあまり興味がないようでしたが、3歳の子が気に入ってくれて何度も開いて動かしていました。とても喜んでもらえてこちらまで嬉しくなりました。
- miyu12162001
- お友達にクリスマスプレゼントとして贈る予定で買いました。 少々、傷があったのが残念ですが、喜んでもらえるといいな。
- dobinn
- 2ヶ月の子どもが喜んで見ています。目で見ても楽しいですし、ママが読む声にも反応して声に出して笑ったりします。機嫌が悪い時にも読むとジーっと見てます。これからもたくさん読んであげたいと思います。
すべて見る
お店の情報
7,367
連絡・応対
4.3
配送スピード
4.3
梱包
4.3










